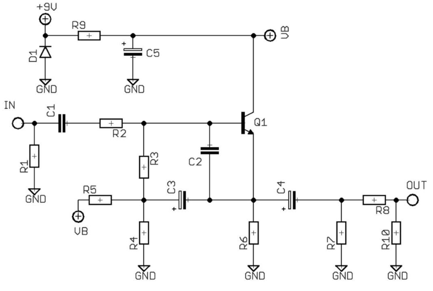
Como prometido na publicação anterior e também na última vez que falei em buffers aqui no blog, segue a explicação da segunda placa presente no Epic Boost que montei. Como já diz o título, trata-se de um buffer. Este é um assunto que tratei diversas vezes aqui no blog e prometi sempre que possível trazer novos circuitos para somar. No presente pedal, o buffer atua quando o pedal esta em bypass e também quanto está ligado. Ou seja, o meu Epic Boost não é True Bypass. Baseado no circuito LD-1 do Pete Cornish, além de ser vendido como um simples pedal de buffer, está presente em todos os pedais da marca na etapa de Bypass. Para mim um dos melhores, pois além de manter o som sem nenhuma alteração, ele foi desenvolvido para casar perfeitamente com pedais de fuzz e fazer também a guitarra casar com o amplificador como se não houvesse mais nada entre eles.
O circuito já circula na internet faz tempo e sempre fui enrolando para montar. Até que na minha busca pelo Ep Boost acabei encontrando na mesma loja uma pequena placa do projeto. Como já tinha a intenção de colocar o Ep como primeiro pedal, achei divino agregar um circuito de buffer para que os demais pedais pudessem ser True Bypass sem problemas.
A placa foi adquirida na mesma loja que a do post anterior, e recebe o nome de Cream Buffer. O único defeito que encontrei foi ser desenhada sem opção para fixação. O problema foi resolvido através de uma fita adesiva dupla-face chamada Fixa Forte VHB da 3M. Além de não ser condutora, cola muito bem e se quiser remover no futuro ela não deixa resíduos. Foi a opção perfeita para fixar a placa na caixa, já que ela não pesa quase nada.
A plaquinha vem no mesmo padrão de qualidade da outra. Recomendo a construção, seja ela em uma placa profissional ou protoboard. Até aqui foi o melhor buffer que já testei.



Você precisa fazer login para comentar.